ALAR-XP Large Aperture Rotary Stages
The ALAR family of direct-drive, large-aperture rotary stages provides superior angular positioning and velocity control. ALAR-XP offers extremely high torque output, substantial load capacity and smooth, precise rotation. Featuring a large-diameter clear aperture and a non-cogging direct-drive motor, ALAR-XP stages offer a superior alternative to worm-gear stages.
Description
Specifications
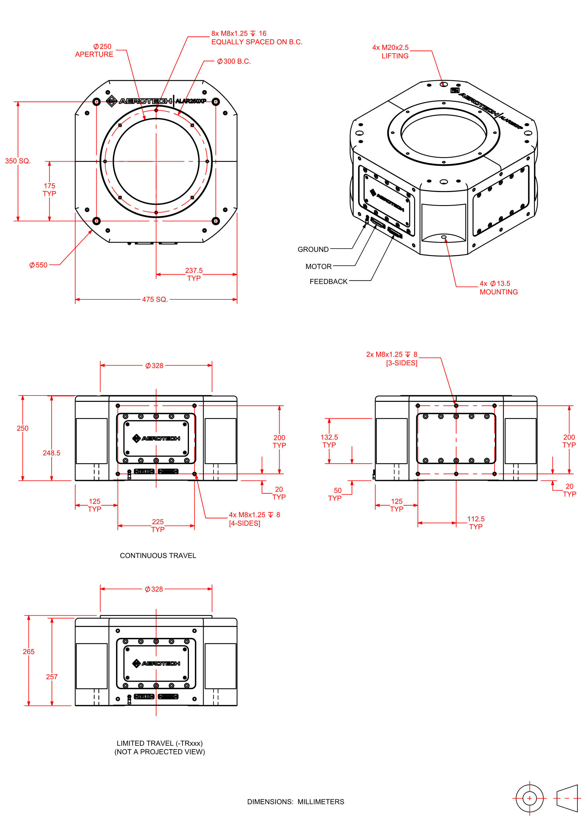
Dimensions
Ordering Info
Downloads
Description
Description
Specifications
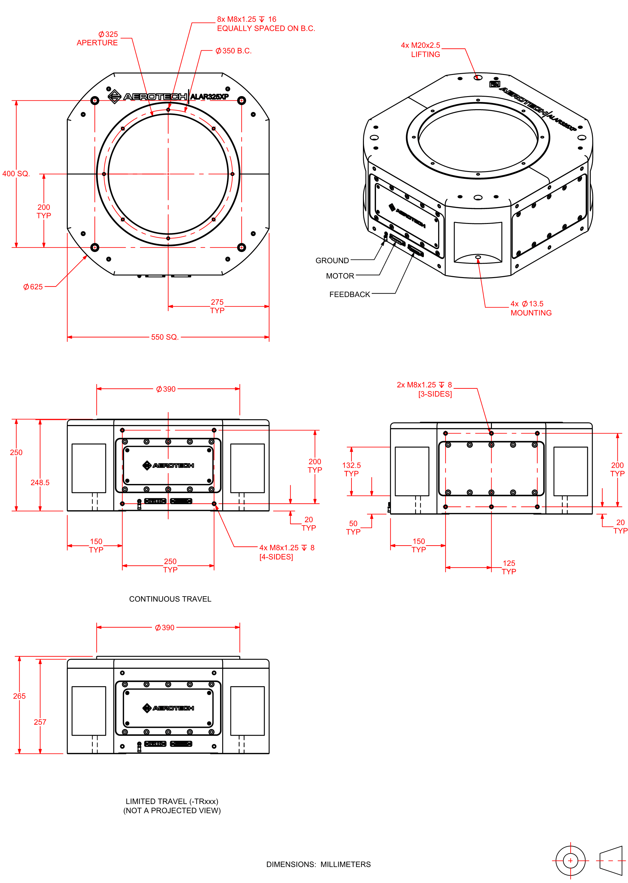
Dimensions
Ordering Info
Downloads
Description
Design Features
- Delivers exceptional torque output up to 1100 N•m to rotate high-inertia payloads with ease
- Achieves extremely precise, smooth, cog-free rotation with ironless direct-drive torque motor
- Supports large payloads & gimbal configurations thanks to high axial-, radial- & moment-load capacities
- Available with clear aperture diameters of 250 mm & 325 mm for simplified process integration
- Provides long service life & consistent performance over time
- Available with absolute encoder option & limited travel for maximum payload security
Key Applications
ALAR-XP stages are best suited for applications including:
- Single- and multi-axis sensor testing
- Inertial navigation device qualification
- Missile seeker testing
- Antenna testing
- Opto-electronics alignment and testing
- High-accuracy laser processing
- Custom high-capacity gimbal assemblies
Advantage: ALAR
ALAR-XP offers numerous advantages over worm-drive stages. Because ALAR stages use direct-drive torque motors, they are free from backlash, vibration, and excessive wear commonly associated with gear-driven stages, and they are also capable of much higher speeds and accelerations. These advantages translate to higher system accuracy, repeatability, and longevity, as well as greater throughput. Users can more precisely manufacture, inspect, or process more parts in less time, leading to lower operating costs and higher profits.
Brushless, Slotless Direct-Drive Motors
Aerotech’s brushless, direct-drive motors are featured in all ALAR stages. Because there are neither brushes to wear, nor gear trains or couplings to maintain, ALAR stages are capable of high speeds and accelerations, plus consistent, stable performance over time with zero backlash, windup, or hysteresis. Further, ALAR motors are both slotless and ironless, thereby eliminating cogging and torque ripple to deliver exceptionally smooth motion. ALAR stages are ideal for applications requiring outstanding contoured motion, smooth scan velocities, and precise incremental steps.
Extreme Torque, Precision Rotation
ALAR-XP motors are based on Aerotech’s powerful BLMX-series, which deliver the highest force output of any commercially available brushless, slotless, ironless motor. Traditional higher torque solutions typically involve either gear trains or slotted, iron-core motors, which are both detrimental to achieving high-precision positioning and velocity performance. ALAR-XP is a game-changer because it enables users to achieve high torque output without compromising the quality of motion. Eliminating the need to make the trade-off between torque and precision allows systems designers.
Flexible Configurations for Simplified Integration
ALAR-XP is offered with features and options that facilitate easy integration into multi-axis motion systems and subsystems. It is available with clear-aperture diameters of 250 mm or 325 mm, and also a variety of feedback options including analog 1 Vpp, digital RS422, and absolute encoders. Continuous 360-degree travel is standard, with available limited-travel options ranging from 10 degrees to 340 degrees. For each model, there are two motor options depending on the amount of torque needed. ALAR-XP stages can even be adapted for use in vacuum environments.
Applications
Common applications for ALAR-XP stages include single- and multi-axis sensor testing, missile seeker testing, antenna testing, inertial navigation device testing, opto-electronics alignment and testing, and high-accuracy laser machining. ALAR-XP stages can also be configured as multi-axis gimbals. The large-diameter clear aperture and powerful direct-drive motor make ALAR-XP a better performing alternative to more traditional worm-gear stages or even direct-drive stages with slotted iron-core motors, especially for applications requiring both high torque output and ultraprecise motion.
Ordering Information
ALAR-XP Large-Aperature Rotary Stage
| Option | Description |
| ALAR250XP | Mechanical-bearing, direct-drive rotary stage, high torque, 250 mm aperture |
| ALAR325XP | Mechanical-bearing, direct-drive rotary stage, high torque, 325 mm aperture |
Motor (Required)
| Option | Description |
| -M1 | Standard motor |
| -M2 | High-power motor |
Travel (Required)
| Option | Description |
| Continuous travel (standard) | |
| -TR010 | Limited travel, ±5 degrees |
| -TR020 | Limited travel, ±10 degrees |
| -TR030 | Limited travel, ±15 degrees |
| -TR060 | Limited travel, ±30 degrees |
| -TR090 | Limited travel, ±45 degrees |
| -TR120 | Limited travel, ±60 degrees |
| -TR180 | Limited travel, ±90 degrees |
| -TR240 | Limited travel, ±120 degrees |
| -TR300 | Limited travel, ±150 degrees |
| -TR340 | Limited travel, ±170 degrees |
Feedback (Required)
| Option | Description |
| -E1 | Incremental encoder, 1 Vpp |
| -E6 | Incremental encoder, digital RS422, x200 interpolation |
| -E7 | Absolute encoder |
Integration (Required)
Aerotech offers both standard and custom integration services to help you get your system fully operational as quickly as possible. The following standard integration options are available for this system. Please consult Aerotech if you are unsure what level of integration is required, or if you desire custom integration support with your system.
| Option | Description |
| -TAS | Integration - Test as system
Testing, integration, and documentation of a group of components as a complete system that will be used together (ex: drive, controller, and stage). This includes parameter file generation, system tuning, and documentation of the system configuration. |
| -TAC | Integration - Test as components
Testing and integration of individual items as discrete components that ship together. This is typically used for spare parts, replacement parts, or items that will not be used together. These components may or may not be part of a larger system. |




